Dol Motor Starter Function at Wade Diaz blog jadi satu gambar keren di blog ini. Bila gambar tersebut memang yang lagi kamu searching, maka kamu telah berada di laman yang cocok. Di halaman ini menyediakan kumpulan 35 gambar terkait Dol Motor Starter Function at Wade Diaz blog, seperti Gambar Motor Listrik 3 Fasa – 47+ Koleksi Gambar, Rangkaian Motor Listrik 3 Fasa Star Delta – Riset dan juga Motor Listrik 1 Fasa – Perumperindo.co.id. Let’s check it out:
Dol Motor Starter Function At Wade Diaz Blog

source: storage.googleapis.com
Dol Motor Starter Function at Wade Diaz blog
Ilmu Listrik | Pelajaran Listrik – Blog Hamadun: Rangkaian Motor 3 Fasa

source: hamadun.blogspot.com
Ilmu Listrik | Pelajaran Listrik – Blog Hamadun: rangkaian motor 3 fasa …
RANGKAIAN SEDERHANA INSTALASI LISTRIK 3 FASA – YouTube

source: www.youtube.com
RANGKAIAN SEDERHANA INSTALASI LISTRIK 3 FASA – YouTube
Rangkaian Motor 3 Phase Dan Prinsip Kerjanya

source: rakhman.net
Rangkaian Motor 3 Phase dan Prinsip Kerjanya
Tehnik Listrik SMKN 1 Kab. Tangerang: RANGKAIAN PENGENDALI DOL ( DIRECT
source: voc-2cr-tehniklistrik.blogspot.com
Tehnik Listrik SMKN 1 Kab. Tangerang: RANGKAIAN PENGENDALI DOL ( DIRECT …
Rangkaian Kontrol Motor Listrik 3 Fasa – Perumperindo.co.id

source: www.perumperindo.co.id
Rangkaian Kontrol Motor Listrik 3 Fasa – Perumperindo.co.id
Cara Mengubah Putaran Motor Listrik 1 Fasa – Blog0listrik

source: www.blog0listrik.my.id
Cara mengubah putaran motor listrik 1 fasa – Blog0listrik
CARA MEMASANG RANGKAIAN MOTOR 1 FASA – YouTube

source: www.youtube.com
CARA MEMASANG RANGKAIAN MOTOR 1 FASA – YouTube
Detail Gambar Rangkaian Motor 1 Fasa Koleksi Nomer 21

source: www.kibrispdr.org
Detail Gambar Rangkaian Motor 1 Fasa Koleksi Nomer 21
Fungsi Motor Listrik 3 Fasa? Begini Penjelasan Lengkapnya!

source: radarbanyumas.disway.id
Fungsi Motor Listrik 3 Fasa? Begini Penjelasan Lengkapnya!
Cara Merakit Panel Reverse Forward Dan Motor 3 Fasa YouTube

source: www.cartoongames.online
Cara Merakit Panel Reverse Forward dan Motor 3 Fasa YouTube
Rangkaian Motor 3 Phase Dan Prinsip Kerjanya

source: rakhman.net
Rangkaian Motor 3 Phase dan Prinsip Kerjanya
Alat Kendali Motor Listrik | Reviewmotors.co

source: reviewmotors.co
Alat Kendali Motor Listrik | Reviewmotors.co
Penjelasan Simbol / Gambar Komponen Listrik Yang Digunakan Untuk

source: www.kelistrikanku.com
penjelasan simbol / gambar komponen listrik yang digunakan untuk …
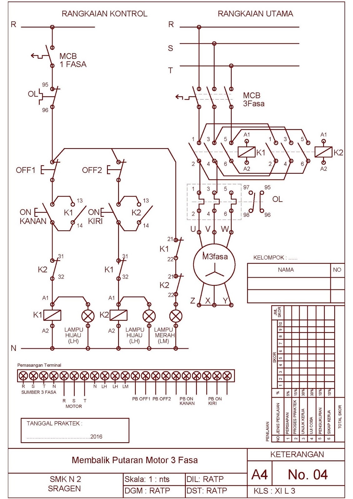
Job Sheet Praktek Instalasi Motor Listrik Tema : Membalik Putaran Motor

source: kisahsukadandukasidara.blogspot.com
Job Sheet Praktek Instalasi Motor Listrik Tema : Membalik Putaran Motor …
Gambar Rangkaian Motor 1 Fasa – 50+ Koleksi Gambar

source: www.kibrispdr.org
Gambar Rangkaian Motor 1 Fasa – 50+ Koleksi Gambar
Gambar Rangkaian Motor 1 Fasa – 50+ Koleksi Gambar

source: www.kibrispdr.org
Gambar Rangkaian Motor 1 Fasa – 50+ Koleksi Gambar
Rangkaian Menjalankan 2 Motor Listrik Secara Bergantian ~ Guru Listrik

source: gurulistrikkeren.blogspot.com
Rangkaian Menjalankan 2 Motor Listrik Secara Bergantian ~ Guru Listrik …
√ Sistem Kontrol Motor Listrik 3 Fasa Hidup Mati Berurutan – Teknisi

source: teknisiacbatam.blogspot.com
√ Sistem kontrol motor Listrik 3 fasa hidup mati berurutan – Teknisi …
Rangkaian Starting DOL Motor 3 Fasa Menggunakan SIMURELAY – YouTube

source: www.youtube.com
Rangkaian Starting DOL Motor 3 Fasa Menggunakan SIMURELAY – YouTube
Rangkaian Bintang / Star-Delta (Y-Δ) Motor Induksi Tiga Fasa – IMROEE
source: imroee.blogspot.com
Rangkaian Bintang / Star-Delta (Y-Δ) Motor Induksi Tiga Fasa – IMROEE
Share: Rangkaian Daya Motor 3 Fasa : Perbedaan Rangakaian Star – Delta

source: elkasebelas.blogspot.com
Share: Rangkaian Daya Motor 3 Fasa : Perbedaan Rangakaian Star – Delta
Job Sheet Praktek Instalasi Motor Listrik Tema : Menjalankan Motor

source: kisahsukadandukasidara.blogspot.com
Job Sheet Praktek Instalasi Motor Listrik Tema : Menjalankan Motor …
Rangkaian Motor Listrik 3 Fasa Star Delta – Riset

source: riset.guru
Rangkaian Motor Listrik 3 Fasa Star Delta – Riset
√ Rangkaian Kontrol Motor Listrik 3 Fasa Hidup Mati Bergantian Secara

source: teknisiacbatam.blogspot.com
√ Rangkaian Kontrol motor listrik 3 fasa hidup mati bergantian secara …
√ Membuat Rangkaian Kontrol Motor Listrik 3 Fasa Dua Arah Putaran Star

source: teknisiacbatam.blogspot.com
√ Membuat Rangkaian kontrol Motor listrik 3 fasa dua arah putaran star …
Cara Merakit Panel Reverse Forward Dan Motor 3 Fasa YouTube

source: www.cartoongames.online
Cara Merakit Panel Reverse Forward dan Motor 3 Fasa YouTube
Gambar Motor Listrik 3 Fasa – 47+ Koleksi Gambar

source: www.kibrispdr.org
Gambar Motor Listrik 3 Fasa – 47+ Koleksi Gambar
Rahasia Mengubah Sistem Kontrol Motor Listrik 3 Fasa Manual Menggunakan

source: www.kelistrikanku.com
rahasia mengubah sistem kontrol motor listrik 3 fasa manual menggunakan …
√ Rangkaian Sistem Kontrol Motor Listrik 3 Fasa Hidup Dan Mati

source: teknisiacbatam.blogspot.com
√ Rangkaian Sistem kontrol Motor listrik 3 fasa hidup dan mati …
Motor Listrik 3 Fasa Forward Reverse – Listrik-Praktis

source: www.listrik-praktis.com
Motor Listrik 3 Fasa Forward Reverse – Listrik-Praktis
Belajar Rangkaian Kendali Motor Listrik 3 Fasa – Wijdan Kelistrikan

source: www.kelistrikanku.com
Belajar Rangkaian Kendali Motor Listrik 3 fasa – Wijdan Kelistrikan
Motor Listrik 1 Fasa – Perumperindo.co.id

source: www.perumperindo.co.id
Motor Listrik 1 Fasa – Perumperindo.co.id
Gambar Rangkaian Instalasi Motor Listrik – Riset

source: riset.guru
Gambar Rangkaian Instalasi Motor Listrik – Riset
RANGKAIAN MOTOR LISTRIK BEKERJA BERGANTIAN – TPTUMETRO

source: www.tptumetro.com
RANGKAIAN MOTOR LISTRIK BEKERJA BERGANTIAN – TPTUMETRO
Cara merakit panel reverse forward dan motor 3 fasa youtube. rangkaian menjalankan 2 motor listrik secara bergantian ~ guru listrik …. Motor listrik 3 fasa forward reverse