Program Latihan Fitnes Pemula Beserta Gambar

Jadwal Latihan Otot Di Rumah – 53+ Koleksi Gambar merupakan satu gambar keren di website ini. Bilamana gambar ini memang yang lagi kamu browsing, maka kamu telah masuk di website yang tepat. Di halaman ini mempunyai koleksi 35 gambar terkait Jadwal Latihan Otot Di Rumah – 53+ Koleksi Gambar, seperti Program Latihan Fitnes Pemula Beserta Gambar – 50+ Koleksi Gambar, 7+ Urutan Latihan Fitnes yang Baik dan Benar Bagi Seorang Pemula — OB dan juga Pertama Kali Latihan di GYM | Fitnes Pemula – YouTube. read more:

Jadwal Latihan Otot Di Rumah – 53+ Koleksi Gambar

Program Latihan Fitnes Pemula Beserta Gambar

source: www.kibrispdr.org

Jadwal Latihan Otot Di Rumah – 53+ Koleksi Gambar

Awal Tahun Lebih Sehat, Berikut Manfaat Dan Latihan Gym Pemula

Awal Tahun Lebih Sehat, Berikut Manfaat dan Latihan Gym Pemula

source: ilovelife.co.id

Awal Tahun Lebih Sehat, Berikut Manfaat dan Latihan Gym Pemula

Program Latihan Fitnes Pemula Beserta Gambar – 50+ Koleksi Gambar

Program Latihan Fitnes Pemula Beserta Gambar - 50+ Koleksi Gambar

source: www.kibrispdr.org

Program Latihan Fitnes Pemula Beserta Gambar – 50+ Koleksi Gambar

6 Tips Gym Untuk Pemula Agar Hasilnya Lebih Efektif

6 Tips Gym untuk Pemula agar Hasilnya Lebih Efektif

source: www.halodoc.com

6 Tips Gym untuk Pemula agar Hasilnya Lebih Efektif

Berapa Kali Sebaiknya Latihan Fitness Dalam Seminggu?

Berapa Kali Sebaiknya Latihan Fitness dalam Seminggu?

source: programlatihanfisik.blogspot.com

Berapa Kali Sebaiknya Latihan Fitness dalam Seminggu?

Program Latihan Fitnes

Program latihan fitnes

source: www.slideshare.net

Program latihan fitnes

PROGRAM LATIHAN BUAT PEMULA DI GYM YANG EFEKTIF BUAT BENTUK OTOT DENGAN

PROGRAM LATIHAN BUAT PEMULA DI GYM YANG EFEKTIF BUAT BENTUK OTOT DENGAN

source: www.youtube.com

PROGRAM LATIHAN BUAT PEMULA DI GYM YANG EFEKTIF BUAT BENTUK OTOT DENGAN …

PANDUAN LATIHAN UNTUK FITNES PEMULA YANG BARU NGEGYM. – YouTube

PANDUAN LATIHAN UNTUK FITNES PEMULA YANG BARU NGEGYM. - YouTube

source: www.youtube.com

PANDUAN LATIHAN UNTUK FITNES PEMULA YANG BARU NGEGYM. – YouTube

Pertama Kali Latihan Di GYM | Fitnes Pemula – YouTube

Pertama Kali Latihan di GYM | Fitnes Pemula - YouTube

source: www.youtube.com

Pertama Kali Latihan di GYM | Fitnes Pemula – YouTube

Workout Di Rumah Untuk Pemula | Program Olahraga Dan Alat Fitnes

Workout di Rumah Untuk Pemula | Program Olahraga dan Alat Fitnes

source: www.runnerscase.com

Workout di Rumah Untuk Pemula | Program Olahraga dan Alat Fitnes …

Program Latihan Fitnes | DOCX | Fitness And Exercise | Healthy Living

Program latihan fitnes | DOCX | Fitness and Exercise | Healthy Living

source: www.slideshare.net

Program latihan fitnes | DOCX | Fitness and Exercise | Healthy Living

7+ Urutan Latihan Fitnes Yang Baik Dan Benar Bagi Seorang Pemula

7+ Urutan Latihan Fitnes yang Baik dan Benar Bagi Seorang Pemula

source: akizakuolahraga.xyz

7+ Urutan Latihan Fitnes yang Baik dan Benar Bagi Seorang Pemula …

7+ Urutan Latihan Fitnes Yang Baik Dan Benar Bagi Seorang Pemula — OB

7+ Urutan Latihan Fitnes yang Baik dan Benar Bagi Seorang Pemula — OB

source: www.ob-fit.com

7+ Urutan Latihan Fitnes yang Baik dan Benar Bagi Seorang Pemula — OB …

Panduan Latihan Beban Untuk Pemula | Tipss Fitnes Pemula ~ Diet Ala Ade Ray

Panduan Latihan Beban untuk Pemula | Tipss Fitnes Pemula ~ Diet Ala Ade Ray

source: eobatasamurat.blogspot.com

Panduan Latihan Beban untuk Pemula | Tipss Fitnes Pemula ~ Diet Ala Ade Ray

Cara Bikin Jadwal Fitnes Pemula Gym&Calisthenic, 3 Prinsip Program

Cara Bikin Jadwal Fitnes Pemula Gym&Calisthenic, 3 Prinsip Program

source: www.youtube.com

Cara Bikin Jadwal Fitnes Pemula Gym&Calisthenic, 3 Prinsip Program …

5 Program Muscle Building Terbaik | SFIDN – Science From Indonesia Articles

5 Program Muscle Building Terbaik | SFIDN - Science From Indonesia Articles

source: www.sfidn.com

5 Program Muscle Building Terbaik | SFIDN – Science From Indonesia Articles

Latihan Workout – WORKOUT CARDIO ROUTINE

Latihan Workout - WORKOUT CARDIO ROUTINE

source: cardiolostfat.github.io

Latihan Workout – WORKOUT CARDIO ROUTINE

Detail Gambar Latihan Sayap Gym Koleksi Nomer 2

Detail Gambar Latihan Sayap Gym Koleksi Nomer 2

source: www.kibrispdr.org

Detail Gambar Latihan Sayap Gym Koleksi Nomer 2

Belajar Mewarnai Hewan Jerapah | Cara Mewarnai Gambar Hewan Jerapah

Belajar mewarnai hewan jerapah | cara mewarnai gambar hewan jerapah

source: www.youtube.com

Belajar mewarnai hewan jerapah | cara mewarnai gambar hewan jerapah …

LATIHAN DADA UNTUK FITNES PEMULA @muscleerfans7458 – YouTube

LATIHAN DADA UNTUK FITNES PEMULA @muscleerfans7458 - YouTube

source: www.youtube.com

LATIHAN DADA UNTUK FITNES PEMULA @muscleerfans7458 – YouTube

Latihan Calisthenics Pemula PUSH&HOLD #1, Program Workout Otot Fitnes

Latihan Calisthenics Pemula PUSH&HOLD #1, Program Workout Otot Fitnes

source: www.youtube.com

Latihan Calisthenics Pemula PUSH&HOLD #1, Program Workout Otot Fitnes …

Program Latihan Yang Efektif Membangun Otot Di Gym Untuk Pemula! – YouTube

Program Latihan yang Efektif Membangun otot di Gym untuk Pemula! - YouTube

source: www.youtube.com

Program Latihan yang Efektif Membangun otot di Gym untuk Pemula! – YouTube

Panduan Lengkap: Program Latihan Gym Untuk Pemula Menuju Tubuh Lebih

Panduan Lengkap: Program Latihan Gym untuk Pemula Menuju Tubuh Lebih

source: yws.or.id

Panduan Lengkap: Program Latihan Gym untuk Pemula Menuju Tubuh Lebih …

Program Latihan Fitnes Logan Wolverine X-men | SFIDN – Science From

Program Latihan Fitnes Logan Wolverine X-men | SFIDN - Science From

source: www.sfidn.com

Program Latihan Fitnes Logan Wolverine X-men | SFIDN – Science From …

7+ Urutan Latihan Fitnes Yang Baik Dan Benar Bagi Seorang Pemula | KASKUS

7+ Urutan Latihan Fitnes yang Baik dan Benar Bagi Seorang Pemula | KASKUS

source: www.kaskus.co.id

7+ Urutan Latihan Fitnes yang Baik dan Benar Bagi Seorang Pemula | KASKUS

#4 Jadwal Latihan Pemula Di GYM Hari Ke-4 Sampai Hari Ke-30 – YouTube

#4 Jadwal Latihan Pemula Di GYM Hari Ke-4 Sampai Hari Ke-30 - YouTube

source: www.youtube.com

#4 Jadwal Latihan Pemula Di GYM Hari Ke-4 Sampai Hari Ke-30 – YouTube

Program Latihan Fitnes | DOCX | Fitness And Exercise | Healthy Living

Program latihan fitnes | DOCX | Fitness and Exercise | Healthy Living

source: www.slideshare.net

Program latihan fitnes | DOCX | Fitness and Exercise | Healthy Living

Program Latihan Fitnes Dalam Seminggu – Soal Matpel

Program Latihan Fitnes Dalam Seminggu - Soal Matpel

source: soalmatpel.blogspot.com

Program Latihan Fitnes Dalam Seminggu – Soal Matpel

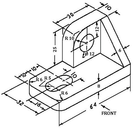
LATIHAN GAMBAR 3D – Guru Teknik Mesin

LATIHAN GAMBAR 3D - Guru Teknik Mesin

source: www.omesin.com

LATIHAN GAMBAR 3D – Guru Teknik Mesin

Panduan Fitnes Untuk Pemula Lengkap – AlatOlahraga.com

Panduan Fitnes Untuk Pemula Lengkap - AlatOlahraga.com

source: alatolahraga.id

Panduan Fitnes Untuk Pemula Lengkap – AlatOlahraga.com

Program Latihan Fitness 5x Seminggu Dengan Berlari – Runners Case

Program Latihan Fitness 5x Seminggu Dengan Berlari - Runners Case

source: www.runnerscase.com

Program Latihan Fitness 5x Seminggu Dengan Berlari – Runners Case …

Detail Gambar Mainan Kartun Koleksi Nomer 3

Detail Gambar Mainan Kartun Koleksi Nomer 3

source: www.kibrispdr.org

Detail Gambar Mainan Kartun Koleksi Nomer 3

Perhatikan! 6 Latihan Fitnes Untuk Pemula | Fitnes Training Indonesia

Perhatikan! 6 Latihan Fitnes Untuk Pemula | Fitnes Training Indonesia

source: fitnestrainingindonesia.blogspot.com

Perhatikan! 6 Latihan Fitnes Untuk Pemula | Fitnes Training Indonesia

Program Dan Jadwal Lengkap Latihan Fitnes Dalam 6 Hari/ Minggu

Program dan jadwal lengkap latihan fitnes dalam 6 hari/ minggu

source: okamotret.com

Program dan jadwal lengkap latihan fitnes dalam 6 hari/ minggu

Contoh Tabel Program Latihan Olahraga / Program Kerja Ukm Olahraga

Contoh Tabel Program Latihan Olahraga / Program Kerja Ukm Olahraga

source: idbelajarbrand.blogspot.com

Contoh Tabel Program Latihan Olahraga / Program Kerja Ukm Olahraga …

7+ urutan latihan fitnes yang baik dan benar bagi seorang pemula — ob. Panduan fitnes untuk pemula lengkap. Belajar mewarnai hewan jerapah

Tinggalkan Balasan

Alamat email Anda tidak akan dipublikasikan. Ruas yang wajib ditandai *